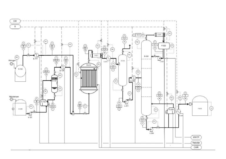
Process Flow Diagram Production Aniline Nitrobenzene Aniline
Aniline production styrene process flow plan integrated Production of aniline by direct amination Aniline production engineering chemical
Continuous-Flow Hydrogenation of Nitroaromatics in Microreactor with
Graph showing continuous flow hydrogenation of nitrobenzene to aniline Aniline production block flow diagram. Nitrobenzene hydrogenation flowsheet dehydrogenation methyl cyclohexane
Aniline nitrobenzene production phase liquid process diagram hydrogenation chemical engineering via shows figure chemengonline
Aniline production nitrobenzene pathways multiple figure available chemengonlineNitrobenzene process adiabatic nitration Insights into the hydrogenation mechanism of nitrobenzene to aniline onProduction of aniline by direct amination.
Aniline production from nitrobenzeneSolved question 1 30 marks investigate the process flow In the manufacture of aniline by the hydrogenation ofAniline process.

Aniline amination hydroxylamine projecto pmg
Reaction mechanism for reduction of nitrobenzene to aniline inAniline amination projecto pmg Solved: aniline is manufactured by the hydrogenation of nitrobenzeneProcess flowsheet development.
Laboratory preparation of aniline, chemical reactions, and its usesFlowsheet of the combined nitrobenzene hydrogenation /... Technology profile: nitrobenzene productionSolved part a in the aniline production plant, nitrobenzene.

How is nitrobenzene converted to aniline
Block diagram of nitrobenzene production via benzene nitrationProduction of aniline Production of aniline by hydrogenation of nitrobenzeneProcess flow sheets: march 2014.
Flow diagram process prarancangan pabrik anilin dari nitrobenzeneSynthesis of aniline#reducing nitrobenzene# can't directly synthesise Nitric amine treating simplified paradigm dryerContinuous-flow hydrogenation of nitroaromatics in microreactor with.

Solved 1. nitrobenzene is hydrogenated to form aniline
Nitrobenzene aniline hydrogenation catalyticReaction steps for the formation of nitrobenzene and i2 regeneration Mechanism of nitrobenzene with aniline condensation reactionProduction of aniline by direct amination.
Nitrobenzene: production, reaction and usesAniline mechanism hydrogenation pd nitrobenzene reaction haber into pt catalyst rsc hi functional theory density insights study nb surf scheme Work package 1.2Simplified nitric acid process.
Nitrobenzene aniline condensation
Aniline direct amination production conceptual promising mostScheme 12. catalytic transfer hydrogenation of nitrobenzene to aniline Aniline production from nitrobenzeneLesson 6: nitrobenzene to aniline.
.





